
1 前言
電源端口傳導騷擾測試是EMC測試中的一項重要試驗,量頻率為150 kHz~30 MHz(部分標準是從9 kHz開始)。在實際的試驗布置中,發現對于接地線材質、接地方式和接地位置的不同,接地效果對電源端口傳導騷擾測試結果有著不可忽視的影響。
2 騷擾的類型
在測試和評定無線電騷擾時,依據騷擾頻譜的分布情況、測量接收機帶寬、騷擾持續時間、發生率以及騷擾影響程度,把騷擾分為窄帶連續騷擾,寬帶連續騷擾和寬帶不連續騷擾。寬帶和窄帶主要是信號頻率與測量接收機帶寬相比較而區分的。在傳導騷擾測試中,不管是測量電流還是電壓,騷擾都分為:共模(也稱為不對稱型)、差模(也稱為對稱型)、非對稱。
3 傳導騷擾測試原理
傳導騷擾測試在屏蔽室中進行,系統主要由人工電源網絡和帶有準峰值及平均值檢波的干擾接收機組成,傳導騷擾測試系統如圖一所示。EUT可以分成臺式設備和落地式設備,對于設計成既可放在臺面上又可放在地面上工作的設備按臺式布置進行試驗,具體布置可參閱EMC測試標準以及相關產品測試規范。圖一中,被試設備(EUT)為臺式設備或落地式設備,臺式設備放置于0.8米高的絕緣桌上(落地式設備放置于10cm高的絕緣墊上),人工電源網絡(AMN,圖一中型號為:ENV432)放置于接地平板上。被試設備由人工電源網絡供電,且人工電源網絡將測量到的噪聲信號通過信號線傳輸到接收機上,接收機與計算機相連,通過測試軟件進行后臺操作。
通過測試布置可以看出,人工電源網絡須放置于接地平板上。所以無論是對于在實驗室環境還是在EUT工作現場進行的傳導騷擾測試,都需要將人工電源網絡和接地平板進行良好接地。
傳導騷擾測試系統
人工電源網絡(AMN)是傳導騷擾測試中的輔助設備,其主要應用于測量被試設備沿電源線向電網發射的騷擾電壓。實驗室所用的人工電源網絡(50Ω/50μH+5Ω V型人工電源網絡為例)原理如圖二所示,接在電網與 EUT之間,其功能主要包括:
(1)隔離和耦合作用,人工電源網絡阻止EUT產生的射頻電磁騷擾進入電網,同時隔離來自電網的干擾信號;通過耦合電容把射頻騷擾信號接至測量接收機。
(2)穩定阻抗作用,提供統一的阻抗(50Ω),便于在不同電網下的測試結果相互比較。圖二中,在EUT的受試端子(通過耦合電容)與參考地之間提供一個穩定阻抗(圖二中可知,在耦合電容下方接一個1kΩ的電阻,其與測量接收機的輸入端并聯,由于測量接收機的輸入阻抗是50Ω,所以負載阻抗近似于50Ω)。
4 接地導線的阻抗
通常會用銅線來作為接地線。選取材質均為銅,但長度和橫截面不同的接地線進行試驗,其規格見表一。
接地線編號 | 長度 | 橫截面積/cm2 | 橫截面積形狀 |
1 | 5cm | 7.2 | 矩形 |
2 | 5cm | 0.8 | 圓形 |
3 | 20cm | 0.8 | 圓形 |
4 | 100cm | 0.8 | 圓形 |
表一中所列接地線在不同頻率點的阻抗隨頻率變化的曲線,如圖三所示。

圖三 不同規格的接地線阻抗/頻率變化圖
從圖三中可以看出:
(1)同頻率點、同樣材質、橫截面積相同的導線,長度不同,其射頻阻抗不同,長度越長阻抗越大。
(2)矩形橫截面導線的射頻性能優于圓截面的導線,這也是高頻情況下用扁平線來接地的原因。
5 不同接地方式下對測試結果的影響
在電源端口傳導騷擾測試中發現,被試裝置采用不同的接地方式時,測試結果具有一定的差異,有時這種差異甚至會影響到最終測試結果的判定。下面就兩種不同的接地方式進行比對分析:一種是將EUT的地和人工電源網絡(AMN)的地分別就近接到接地平板的兩個不同位置,即分別接地;另一種是將EUT的地和人工電源網絡(AMN)的地接到接地銅板的同一位置上,即集中接地。下面就接地阻抗進行分析。
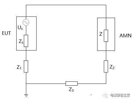
將人工電源網絡AMN的原理圖簡化如圖四所示,其中Us代表EUT發射的噪聲源;Zs代表EUT的內部阻抗;Z代表AMN的測量阻抗。

圖四 人工電源網絡測量簡化圖
在實際測試中,由于測量頻率較高,線纜等均存在一定的阻抗,這里考慮到接地導線和接地平板的阻抗,采用第一種多點接地方式,即EUT的地和人工電源網絡(AMN)的地分別就近接到接地平板的兩個不同位置,將上述原理圖進行模擬如圖五所示。圖五中,Z1為被試設備EUT的接地導線阻抗;Z2為AMN的接地導線阻抗;Z3為AMN的接地端至EUT接地端之間的接地平面阻抗。

圖五 多點接地時人工電源網絡噪聲測量簡化圖
令Zs’=Zs+Z1,Z’=Z+Z2,計算得到人工電源網絡測得的電壓為:
UAMN1= Us*( Z’+Z3)/ ( Zs’+Z’+Z3)
采用第二種單點接地方式,即EUT的地和AMN的地接到接地銅板的同一位置上,將上述原理圖模擬如圖六所示。圖六中,Z1為被試設備EUT的接地導線阻抗;Z2為AMN的接地導線阻抗。

圖六 單點接地時人工電源網絡噪聲測量簡化圖
人工電源網絡測得的電壓為:
UAMN2= Us* Z’/ ( Zs’+Z’)
比較UAMN1和UAMN2的大小,則:
UAMN1/ UAMN2 = ( Z’+Z3) ( Zs’+Z’)/ ( Zs’+Z’+Z3) Z’
=(Z’2+Zs’Z3+ Zs’ Z’+ Z’ Z3)/ Zs’ Z’+ Z’2+ Z’ Z3
=1+( Zs’Z3/ Zs’ Z’+ Z’2+ Z’ Z3)
即:UAMN1/ UAMN2>1
由上面的結果可知,即多點接地時,人工電源網絡上測得的噪聲電壓大于單點接地時測得的噪聲電壓。
6 接地點位置對測試結果的影響
從上面可知,在電源端口傳導騷擾測試中,EUT對人工電源網絡(AMN)的接地方式可以選擇單點接地或者多點接地。同時,EUT的接地方式對測試結果有重要影響,甚至會影響結果的判定。接下來分析EUT的不同接地位置對測試結果的影響。按照標準布置,如圖七所示,以AMN和EUT的投影間距為總長,分別等距取5個點(A、B、C、D、E)。其中AB=BC=CD=DE=20cm,將A、B、C、D、E這5個點分別連接到EUT的接地點上,測試這5個位置的騷擾電壓結果如表二所示。

圖七 不同接地點位置的傳導騷擾電壓試驗布置圖
頻率 (MHz) | 準峰值(QP,dBuv) | ||||
位置A | 位置B | 位置C | 位置D | 位置E | |
0.15 | 52.2 | 52.5 | 52.5 | 52.9 | 52.9 |
0.5 | 64.3 | 64.6 | 64.6 | 64.9 | 65.1 |
1 | 47.1 | 47.0 | 47.2 | 47.2 | 47.3 |
5 | 55.8 | 55.7 | 55.9 | 56.0 | 56.1 |
10 | 46.5 | 46.5 | 46.7 | 46.8 | 46.8 |
30 | 52.6 | 52.4 | 52.8 | 52.9 | 53.5 |
表二 不同接地點位置的傳導騷擾電壓測試結果
從表二的測試結果可知,接地點選在A點時,測得的騷擾電壓較小,選在E點時,測得的騷擾電壓較大。從A 點到E點,騷擾電壓大致是增加的趨勢。原因在于:EUT、接地線、參考接地平板、AMN和電源線形成了一個環路。根據電磁感應理論,閉合環路中的磁通發生變化時將產生感應電流,電流大小與環路面積成正比。EUT正常工作時會通過外殼和電纜產生輻射騷擾,這些騷擾會在上述環路中產生感應電流,從而增大騷擾電壓。測試原理如圖八所示。

圖八 接地點位置對傳導騷擾電壓測試的影響原理圖
當接地點選在A點時,EUT、接地線、參考接地平板、AMN和電源線形成的環路面積最小,產生的感應電流最小,此時測得的騷擾電壓最小。當接地點選在E點時,EUT、接地線、參考接地平板、AMN和電源線形成的環路面積最大,環路中產生的感應電流最大,因此測得的騷擾電壓也較大。這說明接地點位置的選擇對傳導騷擾電壓的測試結果具有重要影響。接地點距離AMN越近,接地線和電源線圍成的環路面積越小,產生的騷擾感應電流越小,測得的騷擾電壓就越小。
7 結束語
通過對電源端口傳導騷擾測試的原理分析,在進行電源端傳導騷擾測試時,應保證人工電源網絡與接地參考面之間有良好的搭接,應使用盡量短的扁平銅帶連接到接地參考平面上。同時應將被試設備的地與人工電源網絡的地接在接地平面的同一點上,盡可能的減小接地阻抗帶來的測量差異。在國際、國內的各類標準中,關于傳導騷擾測試,僅對被試裝置的試驗布置及配置情況進行了描述,并未對被試設備的接地方法進行規定。實驗室力求測試結果一致,可復現場地布置。被測系統運行操作要能代表典型的使用情況,這種情況(包括儀器的配置和接線方式)可能與現場使用有差異,實驗室應該意識到這種差異,盡可能模擬產品現場配置,這樣測試結果才能反映真實的使用情況,從而有效控制和降低實驗室的測量風險。
微信掃一掃